股票代码  003021
主页 > 产品中心 > 微型减速箱 > 行星减速箱(高性能版) > Φ6mm 行星减速箱(SMD版)
概述

Φ6mm 行星减速箱(SMD版)

型号:ZWSMD006006

直径(mm):6

长度(mm):5.8~15.4

最大传输功率(W) :0.63

最大连续转矩(Nm):0.03

最高连续输入转速(rpm):40000

环境温度(℃) :-30…+85

输出端轴承:滚珠轴承

* 该齿轮箱可根据客户要求定制,并与对应电机整体出售。

减速箱技术数据

级数 1 2 3 4 5
减速比 3.9 15 57 221 854
最大传连续输功率(W) 0.63 0.39 0.2 0.15 0.04
最大瞬时传输功率(W) 0.79 0.49 0.25 0.18 0.05
最大连续转矩(Nm) 0.002 0.005 0.01 0.03 0.03
最大瞬时转矩(Nm) 0.005 0.01 0.02 0.06 0.06
最高连续输入转速(rpm) 40000 40000 40000 40000 40000
最高瞬时输入转速(rpm) 40000 40000 40000 40000 40000
最大效率(%) 83 69 57 65 47
空载平均空回(°) 1.8 2 2.2 2.5 2.8
最大轴向动态载荷(N) 5 5 5 5 5
最大径向载荷(离法兰4mm处)(N) 5 6 7 8 8
齿轮箱长度L1(mm) 5.8 8.2 10.6 13 15.4
重量(G) 1.7 2.1 2.5 2.9 3.3

推荐型号

型号 额定电压
(V)
空载数据 负载数据 总长
(mm)
齿轮箱额定容许力矩
(NM)
齿轮箱瞬间容许力矩
(NM)
减速比 减速箱长L1
(mm)
空载转速
(rpm)
空载电流
(mA max)
负载转速
(rpm)
负载电流
(mA Max)
转矩
(gf.cm)
转矩
(NM)
ZWSMD006006-04 12 16437 150 12133 350 20 0.002 28.8 0.002 0.005 3.9 5.8
ZWSMD006006-15 12 4261 150 3146 355 50 0.005 31.2 0.005 0.01 14.9 8.2
ZWSMD006006-57 12 1105 160 816 360 100 0.010 33.6 0.01 0.02 57.4 10.6
ZWSMD006006-221 12 286 170 211 365 300 0.03 36 0.03 0.06 221.3 13
ZWSMD006006-854 12 74 180 55 370 300 0.03 38.4 0.03 0.06 853.7 15.4
*注:以上具体参数可根据客户要求定制。

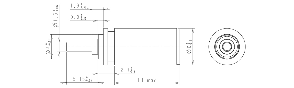
设计图纸

热门产品查看更多

  •  ZWSMD006006

      最大传输功率0.63W  

      最大连续转矩0.03Nm  

      最高连续输入转速40000rpm  

    查看详情
  •  ZWSMD008008

      最大传输功率0.84W  

      最大连续转矩0.1Nm  

      最高连续输入转速12000rpm  

    查看详情
  •  ZWSMD010010

      最大传输功率1.6W  

      最大连续转矩0.15Nm  

      最高连续输入转速12000rpm  

    查看详情

资料下载

Φ6mm 行星减速箱(SMD版)规格书

头号玩家官网登录入口 — 微型驱动系统制造商

专注于研发、生产精密驱动系统,为客户提供智能驱动方案设计,零件的生产与组装的定制化服务

立即咨询  >

粤ICP备11019966号     Copyright ? 2023  深圳市头号玩家官网登录入口机电股份有限公司  

粤ICP备11019966号
Copyright  2023  深圳市头号玩家官网登录入口机电股份有限公司

400-066-2287
服务热线


线

服务热线:400-066-2287
sitemap地图